2017年LED显示屏出口概况:掘金高端市场!号角吹响 孰能稳坐第一梯队?

慧聪LED屏网报道 进入十月,2017年几近尾声。回顾此前发展,LED显示屏海外市场俨然成为今年的“香饽饽”,各大厂商在国内市场面临饱和的尴尬局面之时,不约而同地走出国门,寻求更广阔的发展空间。在这样的大趋势之下
新产品 新技术高潮迭起!看LED显示屏行业发展新机遇!

慧聪LED屏网报道 秋风起,秋意浓!秋天又是一个收获的季节。人们在欣赏了春的激情,夏的狂热之后,秋天表现出了它特有的稳健与厚重。同样,对于各大LED显示屏企业而言,也是各项新产品,新技术“瓜熟蒂落”的时期。各
金达诺:坚持创新不忘初心 助力户外广告生态良性发展

慧聪LED屏网报道 当前行业竞争异常激烈,不少LED显示屏企业开始探索差异化、创新型发展道路,以脱离同质化的竞争压力。而部分企业则早已凭借独一无二的产品在行业内开辟出自己的专属的领土,金达诺就是其中的典范。自
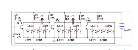
LED显示屏电源实现升级 一年节省电量10%!

慧聪LED屏网报道 推广表贴,引爆行业表贴革命, 引发行业内众多企业纷纷的跟进效仿;
最全LED显示屏组装与连接示意图!看看还有你不会的吗?

慧聪LED屏网报道 LED电子显示屏全体组装起来不容易,就如同配置一款组装的电脑一样,甚至LED电子显示屏组装起来更复杂,更多要去注意的步骤。它是由很多块模组连接起来的,而模组就是由许多的灯珠组装的,这其中的步
小间距LED显示屏为何这么火?

慧聪LED屏网报道 随着LED时代的到来,中国已然成为全球LED产业最大的制造生产地,这给国内的LED产业迅速发展提供了得天独厚的优势。然而,近年中国LED行业经过多年的价格战洗礼后,产品利润削减,盈利难以得到保证,
阳光照明净利下降 德豪润达严重亏损

慧聪LED屏网报道 德豪润达前三季度亏损9989万 10月30日,德豪润达发布2017年三季报,公司2017年1-9月实现营业收入31.87亿元,同比增长8.78%;光学光电子行业平均营业收入增长率为40.36%;归属于上市公司股东的净利润-9
Micro LED真有这么神奇吗?或拉动LCD与LED两大市场发展!

慧聪LED屏网报道 友达董事长彭双浪昨(26)日在法说会中,回答法人Mini LED与Micro LED进度时表示,该公司的Mini LED产品正在与客户洽谈如何应用,至于Micro LED若能突破量产障碍,将可以带动中国台湾地区LCD与LED两大
LED照明投身健康产业!或将成为具有巨大市场潜力的新兴产业

慧聪LED屏网报道 健康产业是具有巨大市场潜力的新兴产业。随着国家战略“健康中国2030”的规划纲要的出台,健康产业或将成为拉动我国经济新的增长点。健康产业涵盖广泛,对于LED产业来说牵涉的应用领域也十分广泛。
LED陶瓷PCB大行其道!或引发汽车车灯革命

慧聪LED屏网报道 汽车的普及程度已经越来越高,人们对汽车的要求也不仅仅只存在于四个轮子能够跑,现在的汽车,对于软性需求的卖点越来越看重,包括内饰、中控、外观等等,动力的需求已经成为比较边缘化的需求。而这
全渠道正当时?户外媒体能否刮起这股风潮?

慧聪LED屏网报道 C.SLewis的经典小说《狮子、女巫和衣柜》中有这样的桥段,年轻的LucyPevensie穿过一个神奇的衣橱步入奇幻世界,那里有会讲话的动物,冰雪皇后,还有无边魔境。衣橱是她连接现实和魔法空间的入口。像

+ 更多品牌盛会