洲明科技产业基金投资企业魅视科技成功上市深交所,广州白云区上市企业已达15家

南都记者了解到,魅视科技是十四五开局以来白云区数字经济领域新招商企业中首家实现主板上市的公司,本次公开发行股份数量为2500万股,募集资金将全部用于智能分布式产业发展,深耕实体经济,立足发展主业,夯实企业在细分行业中的领先地位,打造专精特新企业品牌。此次上市将有力推动公司的高质量发展并带动数字经济上下游产业,助推白云持续做大做强“6+6”现代产业集群。
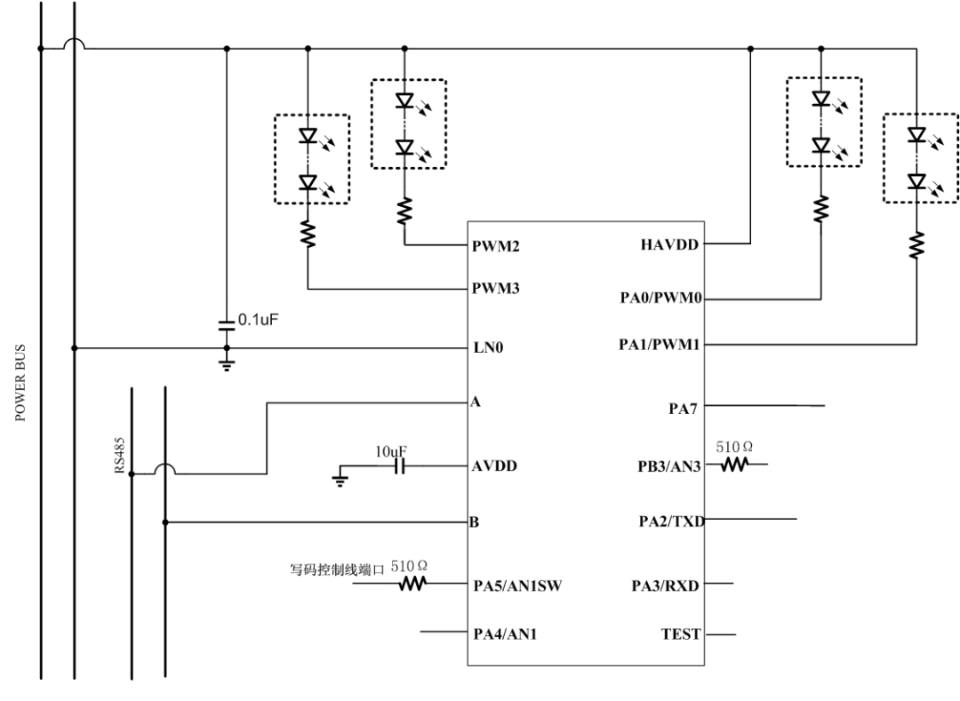
一颗小芯片驱动景观照明技术大革新

近日,深圳市讯鑫泰电子有限公司正式推出高集成、具有485通讯接口,内置有总线电压检测、驱动电流检测以及温度检测功能,并且支持标准DMX512/RDM通讯协议可编程四通道RGBW-LED恒流驱动芯片XT2185,在LED景观亮化灯具应用中,为灯具厂家提供一款真正可实现的芯片级解决方案。
实至名归!青松荣获“Best of Year 2021-2022信息化视听行业年度榜” 甄质奖!

近日,“Best of Year 2021-2022信息化视听行业年度最佳榜”颁奖典礼以线上方式面向行业直播,信息化视听行业年度奖项也随之正式出炉。
国星光电吉利产业园项目主体结构全面封顶

8月8日,随着最后一方混凝土浇筑完成,国星光电吉利产业园项目主体结构全面封顶。标志着项目进入决胜攻坚的关键阶段,国星光电以斗志昂扬的激情和奋勇争先的拼劲,以实际行动迎接党的二十大胜利召开。
公牛集团设立智能照明子公司,注册资本1000万元

近日,公牛集团新增投资成立企业——广东公牛智能照明有限公司。
利亚德荣获“2022中国品牌500强”“华谱奖”多项大奖

8月8日,2022年第十六届中国品牌节年会在三湘大地拉开帷幕。国内领先企业及行业先锋汇聚一堂,为中国品牌事业发展建言献策,共话中国品牌发展新未来。
各地发布节电倡议,景观照明及灯光秀受限

入夏以来,各地都迎来了一波高温,用电负荷节节攀升且创新高,为确保电力安全供应,最大限度保障经济社会、生产生活正常用电,各地都发布了节约用电倡议书,倡导全社会联合行动,共同为节能、降耗、减碳作出贡献。
塞上风情,流光溢彩——新亚胜点亮陕西省运会开幕式!

8月6日晚,陕西省参赛人数最多、办赛规模最大、设置项目最全的一届运动会——第十七届运动会(以下简称“陕西省运会”)在榆林市体育中心隆重开幕,现场表演地砖屏由新亚胜提供。
QSTECH青松携智慧教育显示解决方案亮相高博会!

8月6日,为期3天的第57届中国高等教育博览会在西安国际会展中心落下帷幕。展会期间,QSTECH青松携智慧教育显示解决方案亮相,助力教育场景全面升级转型,推动中国教育行业创新及高速发展。
强势赋能!“QSTECH青松·CSSE服务资质认证”活动启幕

为全面赋能合作伙伴,提升终端服务品质。2022年8月8日,“QSTECH青松·CSSE服务资质认证”活动于视源股份-西安产业园正式启幕。
专业体育场馆照明,“点亮”全民健身热潮

昕诺飞近日为浙江省多个体育场馆提供高品质的飞利浦LED灯具及Interact智能互联照明系统,帮助其全面提升改造。在满足国内外大型体育赛事需求的同时,场地还会向周边的居民开放,让全民享受到优质的运动健身场所,促进全民健身事业高质量发展。

+ 更多品牌盛会